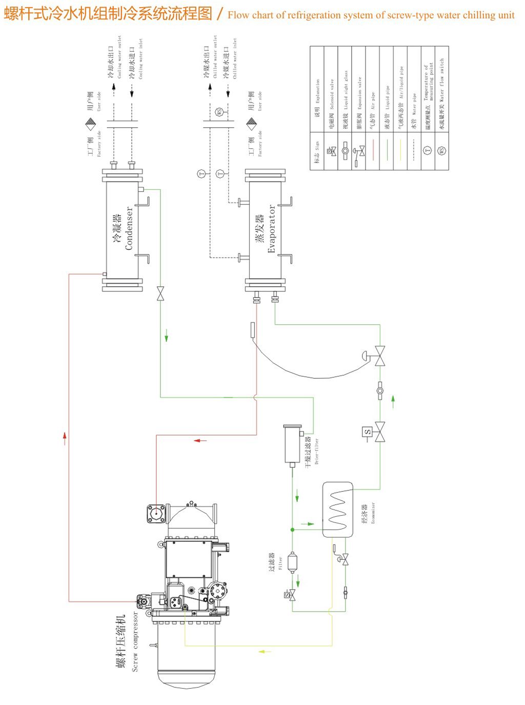
供货说明/ Supply Istructions
◆标准供货范围:
出厂产品为合格产品,系统内已充注少量制冷剂。
◆公司可根据用户要求提供:冷冻油、分子筛过滤芯、冷媒等备用件。
机组特点
高效节能
◆通过PLC、单片机电脑控制,可自动调节,提供更多级数的冷量输
出,与冷负荷实现动态自动匹配。使机组始终稳定在高效率下运行,
从而达到节能的目的。
◆精确的管路设计,把管路阻力损失降低到最小,从而提高了机组的
效率。
稳定可靠
◆主要配套零部件采用国内外知名品牌产品,系统工作稳定可靠。
◆机组自控系统采用进口PLC可编程序控制器或单片机控制,可实现
缺相、过电压、欠电压、过电流、油压、高压、低压、电子式电机过
载在内的自动安全保护。PLC控制可实现压缩机自动平衡运行时间,
以延长压缩机的使用寿命。
◆根据用户要求可预留远程报警、监控接口。
结构紧凑
◆机组采用紧凑型设计理念,安装占地面积小。
◆提供“模块化”安装,减少安装周期,降低了管路的耗材,缩短了
现场施工周期。
降低成本
◆实现制冷系统的自动化控制,降低了日常的操作管理成本。
◆减小了设备、机房场地的投资成本。
◆提高了自动的安全性能,降低了附属安全设备投入的成本。
◆设备系统简单、操作简便,较传统氨系统降低了操作、维修成本。

说明:
◆名义工况:冷媒水进水温度12°C ,冷媒水出水温度7°C.冷却水进水温度30°C .冷却水出水温度35°C ;
电源制式: 3P/380V/50Hz.允许电压波动+10%,允许相间电压差+2% ;
◆以上数据是以R22为制冷剂的机组性能参数,如需R134a. R407C等其他工质,敬请联系;
由于技术改进,外形尺寸可能会有所变更,外形尺寸仅供参考,敬请随时索取安装尺寸图。
说明:
◆名义工况:冷媒水进水温度12*C ,冷媒水出水温度7°C.冷却水进水温度30°C ,冷却水出水温度35"C ;
◆电源制式: 3P/380V/50Hz.允许电压波动+10%,允许相间电压差+2% ;
以上数据是以R22为制冷剂的机组性能参数,如需R134a. R407C等其他工质 ,敬请联系,
由于技术改进,外形尺寸可能会有所变更,外形尺寸仅供参考,敬请随时索取安装尺寸图。
说明:
◆名义工况:冷媒水进水温度12'C ,冷媒水出水温度7°C.冷却水进水温度30°C ,冷却水出水温度35°C ;
◆电源制式: 3P/380V/50Hz.允许电压波动+10%,允许相间电压差+2% ;
◆以上数据是以R22为制冷剂的机组性能参数,如需R134a, R407C等其他工质,敬请联系;
◆由于技术改进,外形尺寸可能会有所变更,外形尺寸仅供参考,敬请随时索取安装尺寸图。
说明:
名义工况:冷媒水进水温度12°C ,冷媒水出水温度7°C.冷却水进水温度30°C ,冷却水出水温度35"C ;
电源制式: 3P/380V/50Hz。允许电压波动+10%,允许相间电压差+2% ;
以上数据是以R22为制冷剂的机组性能参数,如需R134a. R407C等其他工质 ,敬请联系;
由于技术改进,外形尺寸可能会有所变更,外形尺寸仅供参考,敬请随时索取安装尺寸图。







1.缓冲水箱须装在水泵吸入口;膨胀水箱需装在系统最高点;改用压力膨胀安装请向公司咨询;在水系统的最低处,须安
装放水阀,以便冬季不使用时放水。水泵一用一备。
2.在冷媒水系统管道任何倒"U"弯的顶部和管道最高处须安装放气阀。
3.公司可提供水泵变频运行或多台机组水系统-次定频/二次变频节能运行设计。
说明:
◆此图仅供参考
◆冷媒水系统需安装膨胀水箱或缓冲罐,应用户不同要求或使用方式,配管方法上有差异,在无专业设计条件下请与本公
司联系。
◆设备初次运行时应关闭进、出设备截止阀,打开旁通截止阀,用于冲洗管道,以免焊渣泥沙等异物进入换热器,影响换
热效率或对设备造成破坏。

1.冷却塔的出水管应高于冷却水泵吸水管的最高点。
2.在冷却水系统的最低处,须安装放水阀,以便冬季不使用时放水,建议水泵- -用一备。
3.本公司可根据用户需要提供水泵变频节能运行方案。
说明:
◆此图仅供参考
◆设备初次运行时应关闭进、出设备截止阀,打开旁通截止阀,用于冲洗管道,以免焊渣泥沙等异物进入换热器,影响换热
效率或对设备造成破坏。

注:
◆以上导线允许载流量为明线败设铜导线,允许长期工作温度
70°C ,环境温度35"C ,摘自GB/T 16895.15。
◆上述接线规格仅供参考,具体应由专业电气设计部门根据实际需
要,但原则上不应小于上述规格,否则会造成压缩机启动时因线损较
大而无法正常启动。
◆机组运转时电源电压必须稳定,将所有压降因素考虑在内,机组
长期运转工作电压需保持在额定值的t 5%以内,瞬间运转需在额定
值的土10%以内。
◆相间电压差不超过额定值的+2% ,最高或最低相电流差须小于平均电
流3%.电压频率应保持在额定值士2%以内。
◆电源至机组间配线需严格按照电工法规标准施工。且绝缘良好,机组
接线后电气配件端子与机体间应以500V高阻表测定其绝缘,其绝缘电阻
至少5MO以上。
◆配线应采用三相五线制,只允许使用铜导线。
◆机组接地必须符合当地和国家的有关规定。
◆机组电源进线的用户侧需配备相应适当容量的保护空气断路器。
水质要求/Water Quality Requirements
◆由于标准产品冷凝器、蒸发器均采用高效紫铜管(带内鳍片或
外鳍片)为换热管,不良的水质会对产品的性能和使用寿命产生较
大影响,恶劣情况下会腐蚀传热管造成制冷系统进水,引发烧毁电
机抱轴等重大事故。建议用户应严格按GB50050 -2007《工业循
环冷却水处理设计规范》的要求进行水质处理。在机组初次运行过
程中,应采用旁运方式对系统管网进行清洗过滤直至水质达到要求
后再切入冷水机组换热器,且在使用过程中应按标准定期进行水质
取样分析,以确保制冷设备的安全可靠、高效运行。
◆应根据当地水质条件及空气质量条件。对系统增加相应的水处理装
置,尤其对风沙较大地区或环境空气质量较差地区,易造成冷凝换热管
内积泥沙,严重影响换热,应对冷却塔进风进行滤脏,并设多级水过
滤,以确保设备正常运行,节约运行费用。
◆若设备冬季不运行,应将换热器内水全部放空(用蒸发器和冷凝器上
的放水阀或堵头) ;若冬季仍需使用,应向公司咨询防冻措施。
供货说明/ Supply Istructions
◆标准供货范围:
出厂产品为合格产品,系统内已充注少量制冷剂。
◆公司可根据用户要求提供:冷冻油、分子筛过滤芯、冷媒等备用件。

版权所有(C) BWTY.COM宝威体育 浙ICP备05030721号-1